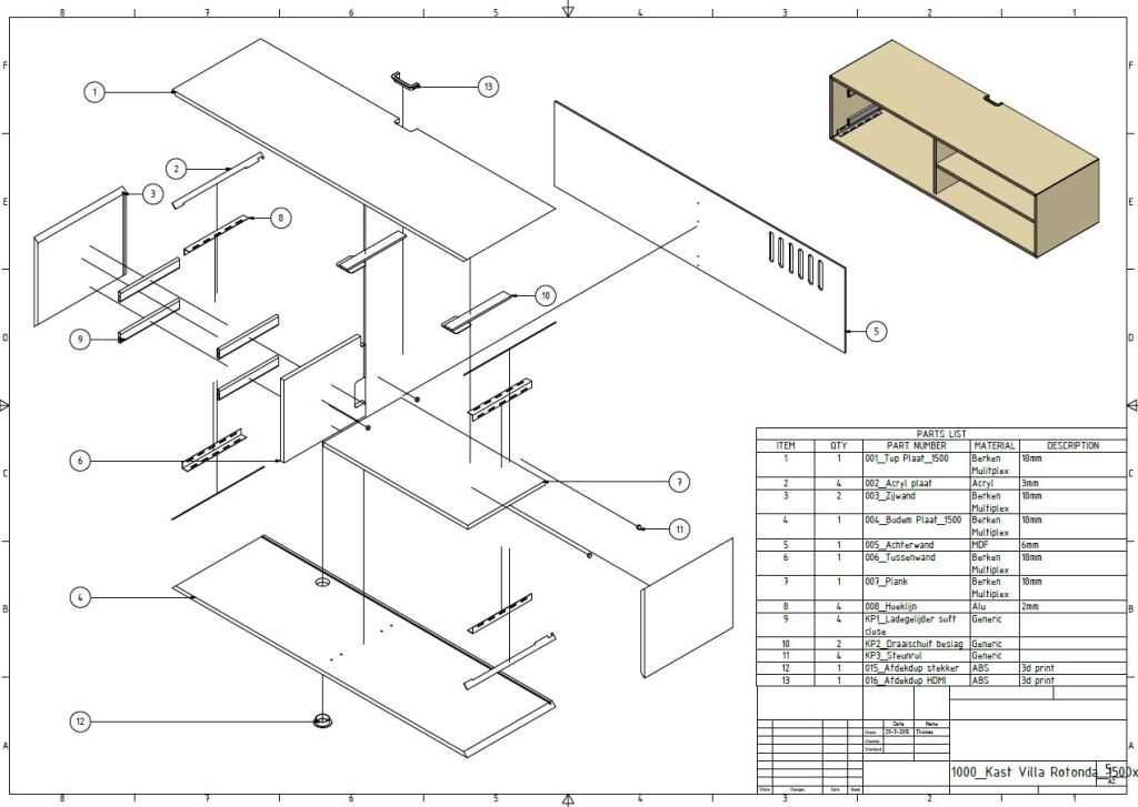
A Multimedia Cabinet with speaker cloth doors. The cloth enables the use of RF remotes without opening the doors. Also LED indicators of the housed devices are visible. This gives the Cabinet an overall clean and simplistic appearance.
Materials used are Russian Birch Plywood 18mm and 3mm Acrylic for the accents.
The cabinet has 2 soft close drawers, and a horizontal pivot door which covers the various devices.








